Winch de 5 tones
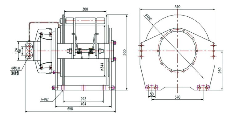
Perfil de cabrestant

El cabrestant hidràulic és un dispositiu de cabrestant que utilitza un sistema hidràulic per proporcionar energia. Normalment consta d'un motor hidràulic, una bomba hidràulica, una vàlvula de control, un tambor de cabrestant, etc. Els cabrestants hidràulics es poden utilitzar en aplicacions d'elevació, remolc i estirament i s'utilitzen àmpliament en enginyeria, construcció, navegació, agricultura i mineria. El cabrestant hidràulic està accionat per un sistema hidràulic i té els avantatges d'una gran capacitat de càrrega, velocitat i reversibilitat ajustables, control flexible, seguretat i fiabilitat, càrrega estable i durabilitat forta. Això fa que sigui àmpliament utilitzat en aplicacions d'aixecament, estirar i estirar on es requereix gran potència, eficiència i fiabilitat.
Mostra de cabrestant




Dades tècniques del cabrestant

|
Model |
SI-5 |
SI-7 |
SI-10 |
|
|
Classificació de flux |
L/min |
144 |
159 |
250 |
|
Classificació de pressió |
MPa |
20 |
20 |
25 |
|
Estirada màxima |
kN |
50 |
70 |
100 |
|
Velocitat de línia màxima |
m/min |
25 |
20 |
23 |
|
Emmagatzematge de cordes |
m |
50 |
50 |
50 |
|
Pes net |
kg |
240 |
275 |
420 |
|
Diàmetre del cable |
Mm |
17 |
21 |
23 |
|
Motor hidràulic |
CC/R |
289 |
397 |
350 |
|
Usat |
Transportar i aixecar mercaderies pesades |
|||
Projecte de producte


Embalatge del producte

Presentació de l'empresa



Etiquetes populars: Cabrestant de 5 tones, fabricants de cabrestant de 5 tones de la Xina, proveïdors, fàbrica
Un parell de
Winch de 6 tonesSegüent
Winch de 4 tonesPotser també t'agrada
Enviar la consulta













